運行管理者試験過去問題 - 平成26年度第1回(貨物)
平成26年度第1回 -貨物-(H26.8実施)
問24 点呼の実施に関する次の記述のうち、適切なものには解答用紙の「適」の欄に、適切でない者には解答用紙の「不適」の欄にマークしなさい。(※法改正により一部改変)
1.乗務を開始する前の運転者は、事業用自動車の日常点検を行ったところ左前タイヤが摩耗していることを確認したので、整備管理者にこの旨を報告した。整備管理者は、「当該タイヤは、安全上の問題があるが帰庫後に交換するので、そのまま運行しても差し支えない。」と運転者に対し指示をした。
運行管理者は、業務前点呼の際に当該運転者から当該指示等について報告を受けたが、そのまま乗務を開始させた。
2.運行管理者は、業務前及び業務後の点呼のいずれも対面等で行うことができない業務を行う運転者に対し、それらの点呼のほかに、当該業務の途中において電話による中間点呼を行った。その点呼では、当該運転者に酒気帯びの有無及び健康状態、疲労の度合いなどについて報告をさせ、安全な運転ができる状態であることを確認し、事業用自動車の運行の安全を確保するために必要な指示をしたうえで、業務に従事させた。
3.運行管理者は、遠隔地で業務を終了する運転者に対し、電話による業務後点呼を行い、酒気帯びの有無については、当該運転者の応答の声の調子等にて確認するとともに、車載されているアルコール検知器(国土交通大臣が告示で定めたもの。以下同じ。)を用いて得た測定結果を報告させ、酒気を帯びていないことを確認した。
4.荷主から依頼のあった運送が、深夜の時間帯に長距離走行となることから、運行管理者は、当該運送については交替運転者を同乗させることとした。出庫時から運転を開始する運転者に対する業務前の点呼については、所属する営業所において対面により行い、出庫時から同乗する交替運転者の業務前の点呼については、あらかじめ運転を交替する地点として指示した地点において、交替運転者が運転を開始する前にテレビ機能付き携帯電話及び車載されているアルコール検知器を使用して、健康状態、酒気帯びの有無等の報告、確認を行った。
問25 貨物自動車運送事業輸送安全規則に定める同一の事業者内の「輸送の安全の確保に関する取組が優良であると認められる営業所」において、国土交通大臣が定めた機器を用い、営業所間で行う点呼(以下「IT点呼」という。)の実施方法等に関する次の記述のうち、適切なものには解答用紙の「適の」欄に、適切でないものには解答用紙の「不適」の欄にマークしなさい。
1.IT点呼を行う営業所(以下「A営業所」という。)の運行管理者が、IT点呼を受ける運転者が所属する営業所(以下「B営業所」という。)の運転者に対しIT点呼を実施する際は、当該運転者の所属営業所名とIT点呼場所の確認をしている。
2.A営業所とB営業所間で実施するIT点呼については、1営業日のうち深夜を含む連続する18時間以内としている。
3.IT点呼を実施した場合、A営業所の運行管理者は、IT点呼実施後点呼記録表に記録するとともに、記録した内容を速やかにB営業所の運行管理者へ通知しており、通知を受けたB営業所の運行管理者は、通知のあった内容、A営業所の名称及びIT点呼実施者名を点呼記録表に記録し、双方の営業所において保存している。
4.IT点呼を実施する場合、B営業所の運行管理者は、A営業所の運行管理者が適切なIT点呼を実施できるよう、あらかじめ、IT点呼に必要な情報をA営業所の運行管理者に伝達している。
問26 自動車事故報告規則に基づく自動車事故報告書の提出に関する次の記述のうち、適切なものには解答用紙の「適」の欄に、適切でないものには解答用紙の「不適」の欄にマークしなさい。(※法改正により一部改変)
1.事業用自動車が右カーブ路を走行している際、ハンドル操作を誤り、道路左側の歩道に乗り上げ、道路沿いの民家に寄りかかる形で、路面と40度傾斜して道路上に停止した。この事故において家屋に損害はあったものの負傷者はなかったので、自動車事故報告書を提出しなかった。
2.事業用自動車が信号のある交差点を青信号にしたがって直進しようとした際、急に右折してきた対向の大型二輪車と当該事業用自動車が衝突した。 この事故で大型二輪車の運転者は道路に投げ出され、腕を骨折する重傷を負ったので、自動車事故報告書を提出した。
3.事業用自動車が高速道路を走行中、左後輪付近から煙が立ち上がったので、パーキングエリアにて緊急停止し点検を行ったところ、ブレーキ系統の加熱が原因と思われたので、ただちに営業所に連絡し、救援を要請した。 しかし、その間にタイヤが発火し車両火災に至ったため、自動車事故報告書を提出した。
4.事業用自動車の運転者が、運行途中に軽度の心臓発作により体調不良に陥り、運転の継続が困難となった。当該運転者からの連絡を受け、営業所の運行管理者はただちに救急車の手配等をするとともに当該運行を中止したが、死傷者や物損被害が生じていなかったため、自動車事故報告書を提出しなかった。
問27 一般貨物自動車運送事業者が事業用自動車の運転者に対して行う指導・監督に関する次の記述のうち、適切なものには解答用紙の「適」の欄に、適切でないものには解答用紙の「不適」の欄にマークしなさい。(※法改正により一部改変)
1.一般貨物自動車運送事業の運転者として常時選任するために新たに雇い入れた者が、前年まで他の一般貨物自動車運送事業者において事業用自動車の運転者として常時選任されていたので、初任運転者に対する特別な指導を行わないまま社内教育を実施し、事業用トラックの運転をさせた。
2.業務の記録は、「業務の開始及び終了の地点及び日時並びに主な経過地点及び業務に従事した距離」及び「休憩又は睡眠をした場合にあっては、その地点及び日時」等所定の事項について当該業務を行った運転者ごとに確実に記録させ、運転者の日常の業務の実態を把握し、過労運転防止及び運行の適正化を図るための資料として活用している。
3.大雨、大雪、土砂災害などの異常気象時の措置については、異常気象時等処理要領を作成し、運転者全員に周知させておくとともに運転者とも速やかに連絡がとれるよう緊急時における連絡体制を整えているので、事業用自動車の運行の中断、待避所の確保、徐行運転等の運転に関わることについてはすべて当該運転者の判断に任せ、中断、待避したときは報告するよう指導している。
4.翌日に持ち越すことのない節度ある適度な飲酒の目安としては、純アルコール20グラム(以下「1単位」という。)と言われており、その1単位(アルコール5%のビールの場合500ミリリットル)のアルコールを処理するための必要な時間の目安は、4時間とされているので、これらを参考に個人差を考慮して、社内教育の中で酒気帯び運転防止の観点から酒類の飲み方等についても指導を行っている。
問28 自動車の走行時に働く力に関する次の記述のうち、適切なものには解答用紙の「適」の欄に、適切でないものには解答用紙の「不適」の欄にマークしなさい。
1.自動車に働く慣性力は、自動車の重量に比例して大きくなることから、その重量が増加すればするほど制動距離が長くなることを考慮した適正な車間距離の確保について運転者に対し指導している。
2.重量が同一の自動車2台が、双方時速50キロメートルで正面衝突した場合の衝撃力は、時速100キロメートルで走行中の自動車が壁に衝突した場合と同じで、自分の速度だけでなく相手の自動車の速度を加えた速度で衝撃力が発生することから、常に安全な速度で運転するよう運転者に対し指導している。
3.自動車の重量及び速度が同一の場合には、曲がろうとするカーブの半径が2分の1になると遠心力の大きさが4倍になることから、急カーブを走行する場合の横転などの危険性について運転者に対し指導している。
4.自動車に働く慣性力、遠心力及び衝撃力は、速度に比例して大きくなることから、速度が2倍になれば4倍に、速度が3倍になると6倍となり、制動距離、運転操作及び事故時の被害の程度に大きく影響するため、常に制限速度を守り、適切な車間距離を確保し、運転するよう指導している。
問29 A自動車が前方のB自動車とともに時速36キロメートルで15メートルの車間距離を保ちながらB自動車に追従して走行していたところ、突然、前方のB自動車が急ブレーキをかけたのを認め、A自動車も直ちに急ブレーキをかけ、A自動車、B自動車ともそのまま停止した。この場合におけるA自動車の空走時間(危険認知から、その状況を判断してブレーキ操作を行いブレーキが効きはじめるまでに要する時間)を1秒間として、下記のア及びイについて、それぞれ解答用紙の該当する数字の欄にマークして解答しなさい。
ア.A自動車の時速36キロメートルにおける制動距離を9メートルとした場合、A自動車が危険を認知してから停止するまでに走行した距離は、何メートルか。
イ.時速36キロメートルにおけるA自動車の制動距離が9メートル、B自動車の制動距離が7メートルとした場合、停止時におけるA自動車とB自動車の車間距離は、何メートルか。
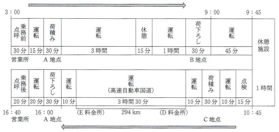
問30 運行管理者は、荷主からの運送依頼を受けて、次のとおり運行の計画を立てた。この計画を立てた運行管理者の判断に関する1~3の記述のうち、適切なものには解答用紙の「適」の欄に、適切でないものには解答用紙の「不適」の欄にマークしなさい。(※法改正により一部改変)
〔 荷主の依頼事項 〕
A地点から、重量が5,250キログラムの荷を9時までにB地点に運び、その後戻りの便にて、C地点から4,500キログラムの荷を16時までにA地点に運ぶ。
〔 運行の計画 〕
ア.乗車定員2名で最大積載量6,000キログラム、車両総重量10,950キログラムの中型貨物自動車を使用する。当該運行は、運転者1人乗務とする。
イ.当日の当該運転者の始業時刻は3時とし、業務前点呼後3時30分に営業所を出庫して荷主先のA地点に向かう。荷積み後B地点に向かうが、途中に15分の休憩を挟み、B地点には8時30分までに到着する。荷下ろし後自社の休憩・睡眠施設に向かい、当該施設において9時45分から10時45分まで休憩をとる。
ウ.10時45分に休憩施設を出発してC地点に向かい、C地点での荷積み後、高速自動車国道(法令による最低速度を定めない本線車道に該当しないもの。)のD料金所からE料金所までの間(この間の距離は294キロメートル)を連続3時間30分運転し、荷主先のA地点に15時30分までに到着する。
荷おろし後、当社営業所に16時20分までに帰庫し、業務後点呼を受け16時40分を終業とする。
〔 運行の概要 〕
1.D料金所からE料金所までの間の高速自動車国道の運転時間を、3時間30分と設定したこと。
2.当該運転者の前日の運転時間は9時間であった。また、当該運転者の翌日の運転時間を8時間50分と予定したので、当日を特定日とした場合の2日を平均した1日当たりの運転時間が、「自動車運転者の労働時間等の改善のための基準」(以下「改善基準」という。)に違反していないと判断したこと。
3.当日の運行における連続運転時間の中断方法として「改善基準」に違反していないと判断したこと。











